phone_in_talk +38 097 602-11-57
location_on

Україна, м. Київ,

вул. Мрії 8 (Туполева), офіс 17
 
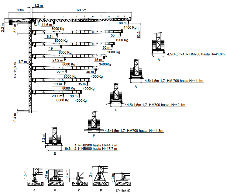
Грузоподъемность8 т
Вылет стрелы60 м
Грузоподъемность при максимальном вылете стрелы1,4 т

 

Башенный кран без оголовка Saez TLS 608T с грузоподъемностью 8 тонн, данный кран оснащен стрелой - 60 метров, грузоподъемность при максимальном вылете стрелы - 1,4 тонн.

Купить башенный кран SAEZ TLS 608T

Характеристики башенного крана Saez TLS 608T